In dem Beitrag finden sich die technischen Details zum Raymarine NMEA0183 Netzwerk. Es soll helfen, Ansätze für ein Update oder eine Kombination mit dem aktuellen NMEA2k Netzwerk und heutigen Navigationsapps zu finden.

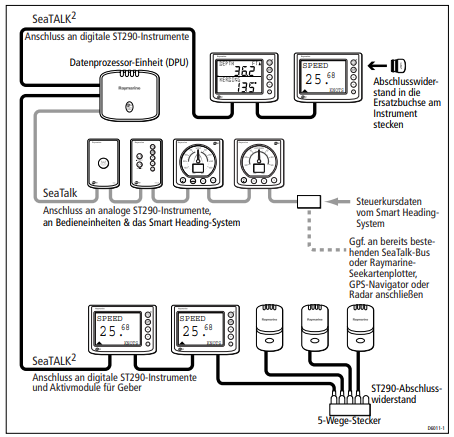
Systembeschreibung:
- 4x Masteinheit ST290
- DPU mit NMEA0183/NMEA2k/USB
- GPS Antenne Raystar125
- Autopilot ST6002
- Smart Heading System mit GyroPlus2
- FluxgateKompass von 2014
- Bord-PC mit MaxSea TimeZero
- Fernbedienung S100
Quellen:
Beschreibung des NMEA0183 Netzwerkes
Alle Komponenten kommunizieren im NMEA0183 Netzwerk. Die Masteinheit kann vom Ruder aus fernbedient werden. Es wurde von mir eine Fernbedienung S100 für den Autopiloten nachgerüstet, um bei Einhandmanövern auch vom Vordeck aus Kurskorrekturen vornehmen zu können.
NMEA0183 Basics

Das Netzwerk ist mit den Originalkomponenten aufgebaut. Dadurch müssen keine losen Adern verbunden werden. Da sorgt für Stabilität. Alle Ergänzungen, die ich durchgeführt habe, sind ebenfalls mit Originalsteckern und 3-Wege-Boxen ausgeführt.

Auch heute gibt es das Originalzubehör noch zu kaufen. Es wird aber weniger und die Preise haben es in sich. Daher habe ich einen Multiplexer in das Netzwerk integriert. Damit sind die Botschaften aus dem NMEA0183 Netzwerk nun auch per WLAN abrufbar. Das habe ich gemacht, um z.B. auf dem IPad mit Navionics ebenfalls die Tiefenangaben und AIS-Meldungen darstellen zu können. Multiplexer gibt es in vielen Ausführungen. Ich habe mich für ein Shipmodul Miniplex3 Wifi entschieden. Es kann nicht nur NMEA0183 Netzwerke verbinden, sondern kennt auch Seatalk von Raymarine.


Mit einem Multiplexer mit NMEA2k Anschluss wäre sogar die Integration eines modernen Kartenplotters möglich. Bisher habe ich diesen Schritt aber noch nicht gemacht.
Folgende Überlegungen zur Erweiterung des Netzwerkes laufen:
- Intergration eines Plotters z.B B&W am Steuerstand
- Testen der Funktionalität des RaspberryPi mit dem OpensourceProjekt Openplotter
- Intergration eines RaspberryPi zum Empfang von Wetterdaten und weiteren Möglichkeiten in Verbindung mit dem NMEA0183 Netzwerk.
Das ist der schnelle Überblick über die Technik an Bord. Darauf verweise ich in einigen Artikeln, wenn neue Hardware an Bord kommt.
Falls ihr Bedarf habt, Handbücher zu teilen, oder Technikshops zu finden, die die ältere Hardware noch unterstützen, schreibt mich an.